Outils pour utilisateurs

Outils du site


start:arduino:mx1508

MX1508

Caractéristiques du module pilote de moteur MX1508

Le pilote MX1508 est l'un des pilotes les moins chers pour faire fonctionner des moteurs à courant continu avec un courant maximum de 2 ampères. Les petites dimensions et la configuration simple sont les caractéristiques positives de ce module.

Le MX1508 est un pilote de moteur à double pont complet qui permet de connecter simultanément deux moteurs à courant continu.

Ce pilote dispose d'un circuit de protection contre la température qui désactive le pilote en cas de surchauffe. Les fonctionnalités de ce module sont les suivantes :

  • Plage de tension de fonctionnement : 2 à 9,6 V CC.
  • Courant de sortie maximum : 1,5 A (crête 2 A)
  • Température maximale de fonctionnement : 15 °C
Le contrôleur de moteur MX1508 suit la configuration du pont en H, ce qui est pratique pour piloter des moteurs pas à pas.

Fiche technique

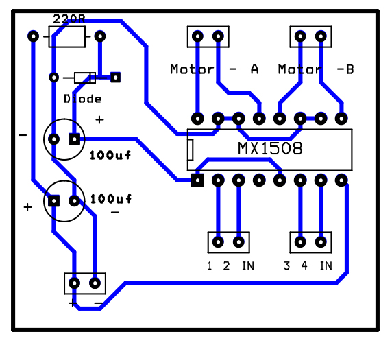
Brochage du module pilote de moteur MX1508

Ce capteur possède 10 broches :

  • Vs : Alimentation du module (entrée – 2V à 9V6)
  • GND : terre
  • IN1 : Entrée 1
  • IN2 : Entrée 2
  • IN3 : Entrée 3
  • IN4 : Entrée 4
  • SORTIE1 : Sortie 1
  • SORTIE2 : Sortie 2
  • OUT3 : Sortie 3
  • OUT4 : Sortie 4

Exemple d 'utilisation

Code arduino Exemple

exemple_mx1508.ino
/*
  MX1508 DC MOTOR DRIVER MODULE
  modified on 25 Sep 2020
  by Saeed Olfat @ Electropeak
  Home
*/
 
void setup() {
  pinMode(8, OUTPUT); //IN2
  pinMode(9, OUTPUT); //IN1
}
void loop() {
 
// Full speed forward
  digitalWrite(8, HIGH);
  digitalWrite(9, LOW);
 
 
  delay(3000);
 
// Full speed backward
  digitalWrite(8, LOW);
  digitalWrite(9, HIGH);
 
  delay(3000);
 
// 0 to 100% speed in forward mode
  for (int i=0;i<256;i++)
  {   digitalWrite(8, HIGH);
      analogWrite(9, i);
      delay(20);      
      }
 
  delay(50);
 
  // 0 to 100% speed in backward mode
        for (int i=255;i<0;i--)
  {   digitalWrite(8, LOW);
      analogWrite(9, i);
      delay(20);      
      }
 
        delay(50);
}

Comme vous pouvez le voir dans le code, le moteur avance d'abord pendant 3 secondes et recule pendant 3 secondes. Ensuite le moteur s'arrête et sa vitesse augmente de 0 à 100% en marche avant avec une accélération constante, puis le même mouvement s'effectue en marche arrière.

Utlisation avec une bibliotheque

Code utilisation librairie MX1508

LibMX1508.ino
#include <MX1508.h>
 
#define PINA 9
#define PINB 10
#define NUMPWM 2
// MX1508 schematics(in Chinese) can be found here at: http://sales.dzsc.com/486222.html
/*
 * MX1508(uint8_t pinIN1, uint8_t pinIN2, DecayMode decayMode, NumOfPwmPins numPWM);
 * DecayMode must be FAST_DECAY or SLOW_DECAY,
 * NumOfPwmPins, either use 1 or 2 pwm. 
 * I recommend using 2 pwm pins per motor so spinning motor forward and backward gives similar response.
 * if using 1 pwm pin, make sure its pinIN1, then set pinIN2 to any digital pin. I dont recommend this setting because 
 * we need to use FAST_DECAY in one direction and SLOW_DECAY for the other direction.  
 */
MX1508 motorA(PINA,PINB, FAST_DECAY, NUMPWM);
 
void setup() {
  Serial.begin(115200);
}
/*
 * Ramp up to pwm = 100, by increasing pwm by 1 every 50 millisecond. 
 * then ramp down to pwm = -100, by decreasing pwm every 50 millisecond.
 * positive value pwm results in forward direction.
 * negative value pwm results in opposite direction. 
 */
void loop() {
  // put your main code here, to run repeatedly:
  static unsigned long lastMilli = 0;
  static bool cwDirection = true; // assume initial direction(positive pwm) is clockwise
  static int pwm = 1;
 
  if(millis()-lastMilli > 50){ // every 50 millisecond
      if (cwDirection && pwm++ > 100 ) {  
        cwDirection = false;
      } else if (!cwDirection && pwm-- < -100) {
        cwDirection =  true;
      } 
    motorA.motorGo(pwm);
    lastMilli = millis();
    Serial.println(motorA.getPWM()); // we can just print pwm but just showing that member function getPWM() works.
  }
 
}

Differents exemples d'utilisation de la librairie MX1508

/home/chanteri/www/fablab37110/data/pages/start/arduino/mx1508.txt · Dernière modification : de gerardadmin